Мощные приводы премиального класса для больших промышленных конвейеров.
Применение:
Мотор-барабан является идеальной приводной установкой для конвейерных систем большой производительности. Обладают мощностью до 3,0 кВт и крутящим моментом до 533,6 Нм.
- Пищевая промышленность
- Сборочные линии
- Аэропорты
- Автомобильная промышленность
- Фармацевтическая промышленность
- Сельскохозяйственное машиностроение
Технические характеристики
- 3-фазные индукционные моторы переменного тока
- Встроенная защита двигателя
- Прямозубый винтовой стальной редуктор
- Малошумные
- Необслуживаемые
- Смазаны на весь срок эксплуатации
- Реверсивные
| Тип двигателя |
Асинхронный двигатель с короткозамкнутым ротором |
| Класс изоляции обмотки двигателя |
Класс F, IEC 34 (VDE 0530) |
| Напряжение |
230/400 В ± 5% (IEC 34/38)
другой тип по запросу
|
| Частота |
50 Гц |
| Класс защиты двигателя |
IP 69K |
| Тепловая защита |
Биметаллический переключатель |
| Температурный диапазон, 3-фазный двигатель |
+2 ... +40°С
|
Варианты исполнения
| Компонент |
Версия |
Алюминий |
Сталь |
Нерж.сталь |
Медь / Никель |
Технополимер |
| Корпус |
Сферический |
|
• |
• |
|
|
| Цилиндрический |
|
• |
• |
|
|
| Цилиндрический для модульных лент |
|
• |
• |
|
|
| Боковые крышки |
Стандарт |
• |
|
• |
|
|
| Электрическое подсоединение |
Прямой присоединитель |
|
|
• |
• |
• |
| Прямой присоединитель гигиенический |
|
|
• |
|
|
| Угловой присоединитель |
|
|
• |
|
• |
| Прямой разъём |
|
|
• |
|
|
| 90⁰ разъём |
|
|
• |
|
|
| 90⁰ разъём гигиенический |
|
|
• |
|
|
| Клеммная коробка |
• |
|
• |
|
• |
| Редуктор |
Прямозубый винтовой редуктор
|
|
• |
|
|
|
| Вал |
Стандарт
|
|
|
• |
|
|
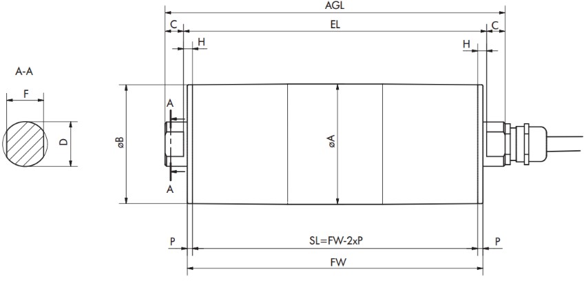
Размеры

Тип
|
|
A
(мм)
|
B
(мм)
|
C
(мм)
|
D
(мм)
|
S
(мм)
|
F
(мм)
|
P
(мм)
|
SL
(мм)
|
EL
(мм)
|
AGL
(мм)
|
DM0217 сферический
|
Стандарт
|
217,5
|
215,5
|
45
|
30
|
16,5
|
25
|
5
|
FW − 10
|
FW + 33
|
FW + 123
|
Опция
|
217,5
|
215,5
|
45
|
40
|
16,5
|
30
|
5
|
FW − 10
|
FW + 33
|
FW + 123
|
DM0217 цилиндрический
|
Стандарт
|
215,5
|
215,5
|
45
|
30
|
16,5
|
25
|
5
|
FW − 10
|
FW + 33
|
FW + 123
|
Опция
|
215,5
|
215,5
|
45
|
40
|
16,5
|
30
|
5
|
FW − 10
|
FW + 33
|
FW + 123
|
DM0217 цилиндрический для модульных лент
|
Стандарт
|
215,5
|
215,5
|
45
|
30
|
16,5
|
25
|
5
|
FW − 10
|
FW + 33
|
FW + 123
|
Опция
|
215,5
|
215,5
|
45
|
40
|
16,5
|
30
|
5
|
FW − 10
|
FW + 33
|
FW + 123
|
Опции
| — Исполнение для пищевой промышленности |
— Обшивка корпуса из бутадиенового каучука |
| — Высокоточная балансировка |
— Ограничители обратного хода |
| — Энкодер |
— Электромагнитный тормоз |
Аксессуары
| — Монтажные кронштейны |
— Конвейерные ролики |
| — Натяжные ролики |
— Частотные преобразователи |
Компактные приводы премиального класса для промышленных конвейеров.
Применение:
Мотор-барабан является идеальной приводной установкой для конвейерных систем средней производительности. Обладают мощностью до 1,8 кВт и крутящим моментом до 238 Нм.
- Пищевая промышленность
- Сухие, влажные и омываемые среды
- Упаковочное оборудование
- Рентгеновские сканирующие системы
- Фармацевтическая промышленность
Технические характеристики
- 3-фазные индукционные или с постоянным магнитом моторы переменного тока
- Встроенная защита двигателя
- Стальной планетарный редуктор
- Малошумные
- Необслуживаемые
- Смазаны на весь срок эксплуатации
- Реверсивные
| Тип двигателя |
Асинхронный двигатель с короткозамкнутым ротором |
Синхронный двигатель с постоянным магнитом |
| Класс изоляции обмотки двигателя |
Класс F, IEC 34 (VDE 0530) |
Класс F, IEC 34 (VDE 0530) |
| Напряжение |
230/400 В ± 5% (IEC 34/38)
другой тип по запросу
|
230 или 400 В
|
| Частота |
50 Гц |
200 ГЦ |
| Класс защиты двигателя |
IP 69K |
IP 69K |
| Тепловая защита |
Биметаллический переключатель |
Биметаллический переключатель |
| Температурный диапазон, 3-фазный двигатель |
+2 ... +40°С
возможно исполнение для низких температур
|
+2 ... +40°С
возможно исполнение для низких температур
|
Варианты исполнения
| Компонент |
Версия |
Алюминий |
Сталь |
Нерж.сталь |
Медь / Никель |
Технополимер |
| Корпус |
Сферический |
|
• |
• |
|
|
| Цилиндрический |
|
• |
• |
|
|
| Цилиндрический для модульных лент |
|
• |
• |
|
|
| Боковые крышки |
Стандарт |
• |
|
• |
|
|
| Электрическое подсоединение |
Прямой присоединитель |
|
|
• |
• |
• |
| Прямой присоединитель гигиенический |
|
|
• |
|
|
| Угловой присоединитель |
|
|
• |
|
• |
| Прямой разъём |
|
|
• |
|
|
| 90⁰ разъём |
|
|
• |
|
|
| 90⁰ разъём гигиенический |
|
|
• |
|
|
| Клеммная коробка |
• |
|
• |
|
• |
| Редуктор |
Планетарный редуктор |
|
• |
|
|
|
| Вал |
Стандарт |
|
|
• |
|
|
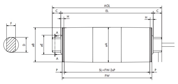
Размеры

Тип
|
|
A
(мм)
|
B
(мм)
|
C
(мм)
|
D
(мм)
|
S
(мм)
|
F
(мм)
|
P
(мм)
|
SL
(мм)
|
EL
(мм)
|
AGL
(мм)
|
DM0138 сферический
|
Стандарт
|
138
|
136
|
25
|
30
|
11,5
|
25
|
3,5
|
FW − 7
|
FW + 23
|
FW + 73
|
Опция
|
138
|
136
|
25
|
30
|
11,5
|
20
|
3,5
|
FW − 7
|
FW + 23
|
FW + 73
|
DM0138 цилиндрический
|
Стандарт
|
137
|
136
|
25
|
30
|
11,5
|
25
|
3,5
|
FW − 7
|
FW + 23
|
FW + 73
|
Опция
|
137
|
136
|
25
|
30
|
11,5
|
20
|
3,5
|
FW − 7
|
FW + 23
|
FW + 73
|
DM0138 цилиндрический для модульных лент
|
Стандарт
|
136
|
137
|
25
|
30
|
11,5
|
25
|
3,5
|
FW − 7
|
FW + 23
|
FW + 73
|
Опция
|
136
|
137
|
25
|
30
|
11,5
|
20
|
3,5
|
FW − 7
|
FW + 23
|
FW + 73
|
Опции
| — Исполнение для пищевой промышленности |
— Обшивка корпуса из бутадиенового каучука |
| — Низкотемпературная версия |
— Ограничители обратного хода |
| — Негоризонтальная установка |
— Высокоточная балансировка |
Аксессуары
| — Монтажные кронштейны |
— Конвейерные ролики |
| — Натяжные ролики |
— Частотные преобразователи |
Компактные приводы премиального класса для небольших, облегчённых конвейеров.
Применение:
Мотор-барабан является идеальной приводной установкой для конвейерных систем небольшой производительности. Обладают мощностью до 0,55 кВт и крутящим моментом до 65 Нм.
- Пищевая промышленность
- Сухие, влажные и омываемые среды
- Упаковочное оборудование
- Рентгеновские сканирующие системы
- Фармацевтическая промышленность
Технические характеристики
- 3-фазные индукционные или с постоянным магнитом моторы переменного тока
- Встроенная защита двигателя
- Планетарный редуктор из стали или технических полимеров
- Малошумные
- Необслуживаемые
- Смазаны на весь срок эксплуатации
- Реверсивные
| Тип двигателя |
Асинхронный двигатель с короткозамкнутым ротором |
Синхронный двигатель с постоянным магнитом |
| Класс изоляции обмотки двигателя |
Класс F, IEC 34 (VDE 0530) |
Класс F, IEC 34 (VDE 0530) |
| Напряжение |
230/400 В ± 5% (IEC 34/38)
другой тип по запросу
|
230 или 400 В
|
| Частота |
50/60 Гц |
200 ГЦ |
| Класс защиты двигателя |
IP 69K |
IP 69K |
| Тепловая защита |
Биметаллический переключатель |
Биметаллический переключатель |
| Температурный диапазон, 3-фазный двигатель |
+2 ... +40°С
возможно исполнение для низких температур
|
|
Варианты исполнения
| Компонент |
Версия |
Алюминий |
Сталь |
Нерж.сталь |
Медь / Никель |
Технополимер |
| Корпус |
Сферический |
|
• |
• |
|
|
| Цилиндрический |
|
• |
• |
|
|
| Цилиндрический для модульных лент |
|
• |
• |
|
|
| Боковые крышки |
Стандарт |
• |
|
• |
|
|
| Электрическое подсоединение |
Прямой присоединитель |
|
|
• |
• |
• |
| Прямой присоединитель гигиенический |
|
|
• |
|
|
| Угловой присоединитель |
|
|
• |
|
• |
| Прямой разъём |
|
|
• |
|
|
| 90⁰ разъём |
|
|
• |
|
|
| 90⁰ разъём гигиенический |
|
|
• |
|
|
| Клеммная коробка |
• |
|
• |
|
• |
| Редуктор |
Планетарный редуктор |
|
• |
|
|
• |
| Вал |
Стандарт |
|
|
• |
|
|
Размеры

Опции
| — Исполнение для пищевой промышленности |
— Обшивка корпуса из бутадиенового каучука |
| — Низкотемпературная версия |
— Ограничители обратного хода |
| — Негоризонтальная установка |
— Высокоточная балансировка |
Аксессуары
| — Монтажные кронштейны |
— Конвейерные ролики |
| — Натяжные ролики |
— Частотные преобразователи |
Компактные приводы премиального класса для небольших, облегчённых конвейеров.

Применение:
Благодаря своей прочности, надежности и отсутствию необходимости обслуживания, мотор-барабаны данной серии прекрасно подходят для небольших подающих конвейеров и упаковочного оборудования. Обладают мощностью до 0,11 кВт и крутящим моментом до 21,4 Нм.
- Пищевая промышленность
- Сухие, влажные и омываемые среды
- Транспортные узлы кассовых боксов гипермаркетов
Технические характеристики
- 3-фазные или 1-фазные индукционные моторы переменного тока
- Встроенная защита двигателя
- Планетарный редуктор из технических полимеров
- Малошумные
- Лёгкие
- Необслуживаемые
- Смазаны на весь срок эксплуатации
- Реверсивные
| Тип двигателя |
Асинхронный двигатель с короткозамкнутым ротором |
| Класс изоляции обмотки двигателя |
Класс F, IEC 34 (VDE 0530) |
| Напряжение |
230/400 В ± 5% (IEC 34/38)
другой тип по запросу
|
| Частота |
50/60 Гц |
| Класс защиты двигателя |
IP 66 |
| Тепловая защита |
Биметаллический переключатель |
| Температурный диапазон, 3-фазный двигатель |
+5 ... +40°С (возможно исполнение для низких температур) |
| Температурный диапазон, 1-фазный двигатель |
+5 ... +40°С |
Варианты исполнения
| Компонент |
Версия |
Алюминий |
Сталь |
Нерж.сталь |
Медь / Никель |
Технополимер |
| Корпус |
Сферический |
|
• |
• |
|
|
| Цилиндрический |
|
• |
• |
|
|
| Боковые крышки |
Стандарт |
• |
|
• |
|
|
| Чехол цапфы |
Стандарт |
• |
|
|
|
|
| С защитой кабеля |
• |
|
|
|
|
| С возобновляемой смазкой |
|
|
• |
|
|
| Электрическое подсоединение |
Прямой присоединитель |
|
|
• |
• |
|
| Угловой присоединитель |
|
|
• |
|
|
| Клеммная коробка |
• |
|
• |
|
|
| Редуктор |
Планетарный редуктор |
|
|
|
|
• |
Размеры



Опции
| — Исполнение для пищевой промышленности |
— Обшивка корпуса из бутадиенового каучука |
| — Низкотемпературная версия |
— Ограничители обратного хода |
| — Негоризонтальная установка |
— Высокоточная балансировка |
Аксессуары
| — Монтажные кронштейны |
— Конвейерные ролики |
| — Натяжные ролики |
— Частотные преобразователи |